扶梯軸承斷裂失效分析
某電梯扶手驅動軸在運行中斷裂,斷裂位置為軸與齒輪配合處,對斷裂進行斷裂失效原因分析。
斷裂軸的宏觀形貌檢查,斷裂位置為軸與齒輪配合處,見圖11-113所示。
斷裂面的斷口宏觀檢查,可見斷口表面已有銹蝕痕跡,斷面外圈較平整、光滑,左上方有一粗糙區域,表面呈金屬本色,粗糙區域外側有明顯的海灘花樣,見圖11-114所示。
圖11-113斷裂軸宏觀形貌 圖11-114 裂處斷口宏觀形貌
對斷口檢查,可見整個斷面基本平整,與軸向垂直,附近無明顯塑性變形痕跡,斷面宏觀形貌如圖11-115所示。為便于進一步觀察,將斷面分為A、B、C、D、E、F、G、H八個區域進行描述
圖11-115 斷面宏觀形貌
(1)斷面A區、B區、C區微觀形貌
斷面A區、B區、C區微觀形貌,見圖11-116、圖11-117、圖11-118所示,可見斷口表面有明顯的磨損擠壓痕跡。
圖11-116 斷面A區微觀形貌 圖11-117 斷面B區微觀形貌
、
圖11-118 斷面C區微觀形貌
(2)斷面D、E、F區微觀形貌
斷面D、E、F區微觀形貌,見圖11-119、圖11-120、圖11-121所示,可見明顯的疲勞條帶,根據不同區域的疲勞條帶方向可知,疲勞裂紋是由斷面邊緣的臺階向斷面左上方的粗糙區域擴展的。
圖11-115中紅色箭頭所示即為不同疲勞裂紋的擴展方向。
圖11-119 斷面D區的疲勞條帶 圖11-120 斷面E區的疲勞條帶
圖11-121 斷面F區的疲勞條帶
(3)斷面G區微觀形貌
斷面G區微觀形貌,見圖11-122所示,可見明顯的準解理斷裂形貌。
圖11-122 斷面G區的準解理斷裂形貌
(4)斷面H區微觀形貌
斷面H區微觀形貌,見圖11-123所示,可見明顯的剪切韌窩,為終斷區。
圖11-123斷面H區微觀形貌
斷口附近橫截面進行低倍檢查:
根據“GB/T 1979-2001結構鋼低倍組織缺陷評級圖”規定,評定為中心疏松2級,無明顯異常,見圖11-124所示。
圖11-124 斷口附近橫截面宏觀金相
對失效件的心部進行金相組織檢查:
金相組織為索氏體+屈氏體+網狀、塊狀鐵素體,說明心部未完全淬透,如圖11-125所示。
斷口相鄰圓角處的金相組織檢查,可見圓角半徑約0.2mm,見圖11-126所示。
圖11-125 心部金相組織 圖11-126斷口相鄰圓角處金相組織
對失效件進行硬度試驗,硬度技術要求為210~250HB;硬度試驗結果:235HB、231HB、223 HB,符合技術要求范圍。
采用直讀光譜法對失效件進行化學成分分析,結果符合“GB/T 699-1999 優質碳素結構鋼”標準的45鋼技術要求。
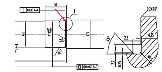
驅動軸斷裂軸處的設計圖紙,見圖11-127 a,斷裂位于圖中紅色箭頭所指處,該處為兩段軸過渡的臺階;右側為臺階處的放大圖像,見圖11-127 b,該處設計成半徑為0.5mm的圓角過渡。
根據圖紙要求,該軸熱處理方式為整體調質,硬度HB210-250。
a 驅動軸斷裂軸處的設計圖紙 b 箭頭處放大
圖11-127(a、b) 失效件斷裂處的設計圖紙
驅動軸斷裂處的心部金相組織為索氏體+屈氏體+網狀和塊狀鐵素體,反映出調質過程中心部未完全淬透,說明驅動軸的熱處理有一定問題。
斷裂軸心部硬度值為HB 235、231、223,符合產品(HB210~250)的技術要求;化學成分檢測顯示材質為45#鋼,也符合技術要求。但斷裂軸的組織不是調質組織,說明驅動軸的硬度值技術要求過低。
斷口形貌顯示,斷面存在明顯的疲勞條帶,呈典型疲勞斷裂特征;疲勞源位于斷口邊緣臺階處,疲勞裂紋由邊緣向心部擴展,符合交變扭轉應力作用下的疲勞斷裂特征。疲勞源呈線源特征,線源疲勞是應力集中引起疲勞失效的重要特征。疲勞裂紋擴展區面積約占整個斷面面積的三分之二,終斷區所占面積較小。
疲勞源區位于兩段軸過渡的臺階位置,該處為典型的應力集中區域,根據“GB/T 6403.4-2008 零件倒圓與倒角”中附錄B的有關規定,直徑φ70的軸類零件其倒圓的推薦值為2.0mm。然而,根據圖紙,斷裂處圓角設計值僅為0.5mm,且實際加工尺寸僅為0.2mm左右,遠未滿足機械設計的要求,可能加工時沒有進行R加工,使倒角處存在嚴重的應力集中。
綜上所述,該驅動軸設計要求的硬度值過低;臺階位置的倒角過??;在加工過程中還存在熱處理工藝不當,調質組織不是索氏體,還有屈氏體、網狀和塊狀鐵素體;兩段軸過渡的臺階圓角實際加工尺寸太小,僅為0.2mm左右,使軸在交變載荷作用下首先在應力集中的圓角處形成疲勞源。雖然驅動軸承受的應力較小,但是驅動軸的金相組織不合格,硬度值過低,強度也低,使驅動軸不能承受較大應力。在應力集中處當疲勞裂紋產生后,在交變應力作用下,疲勞裂紋在構件服役過程中不斷擴展,導致驅動軸最終疲勞斷裂。
根據以上分析,可以得出如下結論與啟示:
(1) 驅動軸的斷裂性質是在交變扭轉應力作用下的高周疲勞斷裂。
(2) 驅動軸出現疲勞斷裂的原因是臺階位置的倒角過小,造成圓角處應力集中,應力集中處產生疲勞裂紋,在交變應力作用下疲勞裂紋不斷擴展,導致驅動軸疲勞斷裂。
(3) 疲勞斷裂與臺階位置的倒角設計過小,與加工時沒有進行R尺寸的檢查有關;還與設計要求的硬度值過低,組織不合格有關。
(4) 提高驅動軸的硬度值要求,增加熱處理后的組織檢查。
(5) 適當增大軸肩過渡處的圓角半徑,加工后增加圓角半徑檢查。
(6) 熱處理后表面處理前采用噴砂強化工藝,增加構件的抗疲勞能力。






浙公網安備 33042402000106號 a>

